Производственное оборудование не прощает компромиссов. Когда речь идёт о деталях привода особенно о зубчатых шкивах, от которых зависит точность и ритмичность работы всей линии, даже незначительное несоответствие размеров может привести к преждевременному износу ремня, сбоям в работе узла или внеплановому простою оборудования. Именно поэтому, когда стандартные решения не подходят, производственники обращаются за изготовлением деталей по индивидуальному чертежу.
Именно с такой задачей к нам пришёл наш новый клиент.
Клиент и его задача
Заказчик - компания, работающая в сфере металлообработки и располагающая собственным станочным парком. В ходе обслуживания или модернизации одной из линий возникла необходимость в замене зубчатых шкивов. Стандартные изделия из наличия у дистрибьюторов не подошли по конструктивным параметрам: индивидуальные посадочные размеры и особенности исполнения требовали изготовления деталей по собственному чертежу.
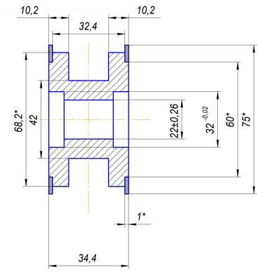
Клиент обратился к нам в компанию с готовой конструкторской документацией и запросом на изготовление партии из 6 штук зубчатых шкивов со следующими параметрами:
- Профиль зуба: Т10 (метрический зубчатый профиль)
- Число зубьев: Z=22
- Исполнение: по индивидуальному чертежу
Дополнительным требованием были сжатые сроки: оборудование простаивало, и затягивать с поставкой деталей было недопустимо.


Что такое шкив Т10 и почему так важна точность
Профиль Т10 - это один из наиболее распространённых стандартов метрического зубчатого ремня с шагом 10 мм. Шкивы этого типа применяются в широком спектре оборудования: станках с числовым программным управлением, конвейерных системах, упаковочных и фасовочных линиях, деревообрабатывающих и металлообрабатывающих станках.
Главное преимущество зубчатой ременной передачи - абсолютная синхронность: в отличие от клиноремённых передач, здесь исключено проскальзывание, а значит, угловое положение ведущего и ведомого валов строго связано. Это критично для осей подачи, позиционирующих механизмов и любых узлов, где важна повторяемость перемещений.
Именно поэтому зубчатые шкивы должны изготавливаться с высокой точностью: отклонения в шаге зубьев, биение посадочного отверстия или неправильно выполненный шпоночный паз немедленно скажутся на работе всей передачи.
Технология изготовления: почему мы выбрали заготовку
Получив чертёж, наши специалисты оценили несколько возможных подходов к изготовлению. Изготовление шкива «с нуля» из металлического прутка технически возможно, однако требует нарезки зубьев на специализированном зубофрезерном оборудовании - это увеличивает и стоимость, и сроки, особенно при небольшой партии.
Оптимальным решением стало использование промышленных заготовок зубчатого шкива с профилем Т10. Такие заготовки выпускаются с уже сформированным зубчатым венцом, соответствующим стандарту, и требуют только финальной механической обработки под индивидуальные размеры: расточки посадочного отверстия, фрезеровки шпоночного паза, обработки торцов и ступицы.
Этот подход позволил нам:
- Сократить сроки - вся работа заняла 3–5 рабочих дней с момента согласования чертежа
- Обеспечить стабильный профиль зуба - заводская заготовка гарантирует правильную геометрию зубчатого венца без рисков, связанных с единичным нарезанием
- Выдержать точность посадочных размеров - токарная обработка отверстия и паза выполнялась по чертёжным допускам с контролем на каждом этапе
- Уложиться в бюджет - исключение операции нарезания зубьев снизило себестоимость без ущерба для качества
Контроль качества и передача заказа
После обработки каждый из 6 шкивов прошёл контроль по ключевым параметрам: диаметру и допуску посадочного отверстия, геометрии шпоночного паза, торцевому биению и соответствию габаритных размеров чертежу. Только после подтверждения соответствия детали были переданы заказчику.
Клиент получил готовую партию в оговорённые сроки. Шкивы были установлены в оборудование, и линия возобновила работу без дополнительных доработок на месте что, собственно, и является главным показателем качества нашей работы.
Мы работаем с нестандартными задачами
Этот заказ - один из многих, которые наша компания выполняет для производственных предприятий, когда стандартные каталожные решения не подходят. Мы изготавливаем зубчатые шкивы всех распространённых профилей: T5, T10, T20, AT5, AT10, HTD 3M, HTD 5M, HTD 8M и других, как из заготовок, так и полностью из металлического проката при необходимости.
Принимаем заказы на единичные изделия и малые серии. Работаем по чертежам заказчика или помогаем разработать конструкцию детали, если документации ещё нет.
Если вам нужны нестандартные шкивы, звёздочки или другие детали привода - оставьте заявку на сайте или свяжитесь с нами напрямую. Расчёт стоимости и сроков - в течение одного рабочего дня.
