Фильтр
По умолчанию (убывание)
4 731 руб./шт
Есть в наличии
Арт. 281050009EMT
В корзину
В корзину
450 руб./шт
Есть в наличии
Арт. 364999991
В корзину
571 руб./шт
Есть в наличии
Арт. TB001216
В корзину
В корзину
В корзину
9 139 руб./шт
Есть в наличии
Арт. 281010003EMT
В корзину
5 992 руб./шт
Есть в наличии
Арт. 281000003EMT
В корзину
680 руб./шт
Есть в наличии
Арт. TB001198
В корзину
6 129 руб./шт
Есть в наличии
Арт. 281000004EMT
В корзину
968 руб./шт
Есть в наличии
Арт. TB001201
В корзину
10 483 руб./шт
Есть в наличии
Арт. 281010038EMT
В корзину
В корзину
Натяжители цепи: обеспечение стабильной работы приводных систем
Роликовые цепи и ремни, используемые для передачи крутящего момента или транспортировки грузов, требуют точного контроля натяжения для эффективной работы. Эти гибкие элементы механических систем выполняют не только функцию передачи энергии между вращающимися ступицами, но и могут применяться для подъема и перемещения объектов. Правильное проектирование системы предполагает обязательное включение устройств для поддержания постоянного натяжения в процессе эксплуатации.
Необходимость применения натяжителя:
В процессе работы цепи подвергаются естественному износу штифтов, втулок и роликов, что приводит к возникновению люфтов и растяжению.
При превышении допустимых значений удлинения возникают следующие проблемы:
- Уменьшение угла контакта с приводной звездочкой;
- Нарушение постоянства передаточного отношения;
- Преждевременный износ зубьев звездочки и цепи;
- Повышенный шум и вибрации;
- Риск проскакивания цепи и ее разрыва;
Конструктивные особенности автоматических натяжителей:
Автоматические торсионные натяжители цепи устанавливаются на свободной стороне привода в непосредственной близости от ведущей звездочки.
Возможны два варианта монтажа:
- С внешней стороны передачи (предпочтительный вариант)
- С внутренней стороны передачи
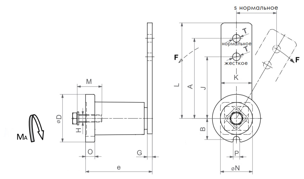
Натяжитель с вращающимся элементом (холостой звездочкой или роликом) функционируют по принципу рычажной системы с точкой опоры. Критически важным условием является правильная установка - рычаг натяжителя не должен пересекать линию приложения цепи или ремня.
Оснащение приводов автоматическими натяжителями позволяет эффективно компенсировать растяжение цепи и поглощать вибрации, обеспечивая стабильность и долговечность работы всей механической системы.
Роликовые цепи и ремни, используемые для передачи крутящего момента или транспортировки грузов, требуют точного контроля натяжения для эффективной работы. Эти гибкие элементы механических систем выполняют не только функцию передачи энергии между вращающимися ступицами, но и могут применяться для подъема и перемещения объектов. Правильное проектирование системы предполагает обязательное включение устройств для поддержания постоянного натяжения в процессе эксплуатации.
Необходимость применения натяжителя:
В процессе работы цепи подвергаются естественному износу штифтов, втулок и роликов, что приводит к возникновению люфтов и растяжению.
При превышении допустимых значений удлинения возникают следующие проблемы:
- Уменьшение угла контакта с приводной звездочкой;
- Нарушение постоянства передаточного отношения;
- Преждевременный износ зубьев звездочки и цепи;
- Повышенный шум и вибрации;
- Риск проскакивания цепи и ее разрыва;
Конструктивные особенности автоматических натяжителей:
Автоматические торсионные натяжители цепи устанавливаются на свободной стороне привода в непосредственной близости от ведущей звездочки.
Возможны два варианта монтажа:
- С внешней стороны передачи (предпочтительный вариант)
- С внутренней стороны передачи
Натяжитель с вращающимся элементом (холостой звездочкой или роликом) функционируют по принципу рычажной системы с точкой опоры. Критически важным условием является правильная установка - рычаг натяжителя не должен пересекать линию приложения цепи или ремня.
Оснащение приводов автоматическими натяжителями позволяет эффективно компенсировать растяжение цепи и поглощать вибрации, обеспечивая стабильность и долговечность работы всей механической системы.

