Нижний Новгород
Каталог
  • Муфты соединительные
    • Безлюфтовые муфты с готовым отверстием
    • Жесткие зажимные муфты
    • Цепные муфты
    • Кулачковые муфты GE с готовым отверстием
    • Кулачковые муфты GE под втулку тапербуш
    • Кулачковые муфты GE под расточку из чугуна
    • Кулачковые муфты GE под расточку из алюминия
    • Кулачковые муфты HRC под втулку тапербуш
    • Кулачковые муфты HRC под расточку
    • Кулачковые муфты N-EUPEX под втулку тапербуш
    • Кулачковые муфты N-EUPEX под расточку
    • Кулачковые муфты GE из стали
    • Безлюфтовые муфты под расточку
    • Зубчатые муфты GF
    • Муфты торообразные FLEX
    • Полиамидные гильзы для муфт GF/BOWEX
    • Упругие элементы для муфт торообразныx FLEX
    • Упругие элементы для муфт HRC
    • Упругие элементы для муфт GEB
    • Упругие элементы для муфт ES
    • Упругие элементы для муфт N-EUPEX
  • Втулки зажимные
    • ABRR
    • BK 10 из нержавеющей стали
    • BK 11 (RCK 11)
    • BK 13 (RCK 13)
    • BK 15 (RCK 15)
    • BK 16 (RCK 16)
    • BK 19 (RCK 19)
    • BK 26 (RCK 26)
    • BK 26/1 (RCK 26)
    • BK 30 из нержавеющей стали
    • BK 40 (RCK 40)
    • BK 40 из нержавеющей стали
    • BK 45 (RCK 45)
    • BK 50 (RCK 50)
    • BK 61 (RCK 61)
    • BK 61 из нержавеющей стали
    • BK 70 (RCK 70)
    • BK 71 (RCK 71)
    • BK 80 (RCK 80)
    • BK 80 из нержавеющей стали
    • BK 95 (RCK 95)
    • KBS 56 MINI
    • KBS 58 MINI
  • Втулки конические тапербуш
    • TB-1008
    • TB-1108
    • TB-1210
    • TB-1215
    • TB-1610
    • TB-1615
    • TB-2012
    • TB-2517
    • TB-3020
    • TB-3030
    • TB-3525
    • TB-3535
    • TB-4030
    • TB-4040
    • TB-4535
    • TB-4545
    • TB-5040
    • TB-5050
    • Винты для втулок TB
  • Клиновые ремни
    • Клиновые ремни A
    • Клиновые ремни B (Б)
    • Клиновые ремни C (В)
    • Клиновые ремни SPA и XPA
    • Клиновые ремни SPB и XPB
    • Клиновые ремни SPC и XPC
    • Клиновые ремни SPZ и XPZ
  • Системы линейного перемещения
    • Аксессуары
    • Профильные рельсовые направляющие скольжения
    • Цилиндрические валы и направляющие
  • Цепи приводные роликовые
    • Американского стандарта
    • Европейского стандарта
    • Из нержавеющей стали
    • Соединительные и переходные звенья для роликовых цепей
  • Шкивы клиновые
    • Под втулку ТВ
  • Ступицы
    • Ступицы под соединение болтами
    • Ступицы приварные
  • Конические зубчатые пары
    • Конические прямозубые пары
  • Натяжные устройства
    • Автоматические осевые натяжители цепей и ремней Murtfeldt
    • Звездочки натяжные
    • Ролики для натяжения приводных ремней
    • Рычаги натяжители ROSTA
Бренды
Статьи
Компания
  • О компании
Контакты
    + 7(966)-756-39-33
    + 7(966)-756-39-33
    Заказать звонок
    E-mail
    info@emtshop.ru
    Режим работы

    Пн. – Пт.: с 9:00 до 18:00

    Заказать звонок
    Интернет-магазин бренда EMT
    • Муфты соединительные
      Муфты соединительные
      • Безлюфтовые муфты с готовым отверстием
      • Жесткие зажимные муфты
      • Цепные муфты
      • Кулачковые муфты GE с готовым отверстием
      • Кулачковые муфты GE под втулку тапербуш
      • Кулачковые муфты GE под расточку из чугуна
      • Кулачковые муфты GE под расточку из алюминия
      • Кулачковые муфты HRC под втулку тапербуш
      • Кулачковые муфты HRC под расточку
      • Кулачковые муфты N-EUPEX под втулку тапербуш
      • Кулачковые муфты N-EUPEX под расточку
      • Кулачковые муфты GE из стали
      • Безлюфтовые муфты под расточку
      • Зубчатые муфты GF
      • Муфты торообразные FLEX
      • Полиамидные гильзы для муфт GF/BOWEX
      • Упругие элементы для муфт торообразныx FLEX
      • Упругие элементы для муфт HRC
      • Упругие элементы для муфт GEB
      • Упругие элементы для муфт ES
      • Упругие элементы для муфт N-EUPEX
      • Еще
    • Втулки зажимные
      Втулки зажимные
      • ABRR
      • BK 10 из нержавеющей стали
      • BK 11 (RCK 11)
      • BK 13 (RCK 13)
      • BK 15 (RCK 15)
      • BK 16 (RCK 16)
      • BK 19 (RCK 19)
      • BK 26 (RCK 26)
      • BK 26/1 (RCK 26)
      • BK 30 из нержавеющей стали
      • BK 40 (RCK 40)
      • BK 40 из нержавеющей стали
      • BK 45 (RCK 45)
      • BK 50 (RCK 50)
      • BK 61 (RCK 61)
      • BK 61 из нержавеющей стали
      • BK 70 (RCK 70)
      • BK 71 (RCK 71)
      • BK 80 (RCK 80)
      • BK 80 из нержавеющей стали
      • BK 95 (RCK 95)
      • KBS 56 MINI
      • KBS 58 MINI
      • Еще
    • Втулки конические тапербуш
      Втулки конические тапербуш
      • TB-1008
      • TB-1108
      • TB-1210
      • TB-1215
      • TB-1610
      • TB-1615
      • TB-2012
      • TB-2517
      • TB-3020
      • TB-3030
      • TB-3525
      • TB-3535
      • TB-4030
      • TB-4040
      • TB-4535
      • TB-4545
      • TB-5040
      • TB-5050
      • Винты для втулок TB
      • Еще
    • Клиновые ремни
      Клиновые ремни
      • Клиновые ремни A
      • Клиновые ремни B (Б)
      • Клиновые ремни C (В)
      • Клиновые ремни SPA и XPA
      • Клиновые ремни SPB и XPB
      • Клиновые ремни SPC и XPC
      • Клиновые ремни SPZ и XPZ
      • Еще
    • Системы линейного перемещения
      Системы линейного перемещения
      • Аксессуары
      • Профильные рельсовые направляющие скольжения
      • Цилиндрические валы и направляющие
    • Цепи приводные роликовые
      Цепи приводные роликовые
      • Американского стандарта
      • Европейского стандарта
      • Из нержавеющей стали
      • Соединительные и переходные звенья для роликовых цепей
      • Еще
    • Шкивы клиновые
      Шкивы клиновые
      • Под втулку ТВ
    • Ступицы
      Ступицы
      • Ступицы под соединение болтами
      • Ступицы приварные
    • Конические зубчатые пары
      Конические зубчатые пары
      • Конические прямозубые пары
    • Натяжные устройства
      Натяжные устройства
      • Автоматические осевые натяжители цепей и ремней Murtfeldt
      • Звездочки натяжные
      • Ролики для натяжения приводных ремней
      • Рычаги натяжители ROSTA
      • Еще
    Войти
    0 Избранное
    0 Корзина
    Муфты соединительные Клиновые ремни Втулки тапербуш Шкивы клиновые Цепи приводные роликовые Конические зубчатые пары Натяжные устройства
    Интернет-магазин бренда EMT
    Войти
    0 Избранное
    0 Корзина
    Нижний Новгород
    Интернет-магазин бренда EMT
    Телефоны
    + 7(966)-756-39-33
    Заказать звонок
    0
    0
    Интернет-магазин бренда EMT
    • Кабинет
    • 0 Избранное
    • 0 Корзина
    • Нижний Новгород
      • Назад
      • Города
    • + 7(966)-756-39-33
      • Назад
      • Телефоны
      • + 7(966)-756-39-33
      • Заказать звонок
    • info@emtshop.ru
    • Пн. – Пт.: с 9:00 до 18:00

    Главная
    –
    Каталог
    –
    Конические зубчатые пары
    Муфты соединительные
    Втулки конические тапербуш
    Цепи приводные роликовые
    Шкивы клиновые
    Клиновые ремни
    Втулки зажимные
    Системы линейного перемещения
    Ступицы
    Натяжные устройства
    –
    Конические прямозубые пары
    –Коническая пара прямозубая (B) C27B301, передат. число=1:1, M=1,5, Z=30/30, EMT
    Коническая пара прямозубая (B) C27B301, передат. число=1:1, M=1,5, Z=30/30, EMT | ЕМТ
    Коническая пара прямозубая (B) C27B301, передат. число=1:1, M=1,5, Z=30/30, EMT | ЕМТ
    Коническая пара прямозубая (B) C27B301, передат. число=1:1, M=1,5, Z=30/30, EMT | ЕМТ
    Коническая пара прямозубая (B) C27B301, передат. число=1:1, M=1,5, Z=30/30, EMT | ЕМТ
    Коническая пара прямозубая (B) C27B301, передат. число=1:1, M=1,5, Z=30/30, EMT | ЕМТ
    Коническая пара прямозубая (B) C27B301, передат. число=1:1, M=1,5, Z=30/30, EMT | ЕМТ
    Коническая пара прямозубая (B) C27B301, передат. число=1:1, M=1,5, Z=30/30, EMT | ЕМТ
    Коническая пара прямозубая (B) C27B301, передат. число=1:1, M=1,5, Z=30/30, EMT | ЕМТ
    Коническая пара прямозубая (B) C27B301, передат. число=1:1, M=1,5, Z=30/30, EMT | ЕМТ
    Коническая пара прямозубая (B) C27B301, передат. число=1:1, M=1,5, Z=30/30, EMT | ЕМТ

    Коническая пара прямозубая (B) C27B301, передат. число=1:1, M=1,5, Z=30/30, EMT

    Арт. C27B301
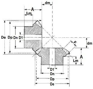
    Характеристики
    Модуль, М
    —
    1,5
    A, мм
    —
    27,2
    D1, мм
    —
    12
    F, мм
    —
    10
    Lm, мм
    —
    12
    Все характеристики

    Все описание
    Euromehanika Transmission
    Все товары Euromehanika Transmission
    Все товары категории
    2 241 руб./шт
    В корзину
    Купить в 1 клик
    Есть в наличии
    Нашли дешевле?
    Гарантия производителя
    Цена действительна при наличии товара на складе.
    • Описание
    • Характеристики
    Коническая пара прямозубая, тип В, i=1:1, М=1,5, Z=30/30, под брендом "ЕМТ", является механизмом, состоящий из скрепленных колес с зубьями. Предназначены для передачи крутящего момента под углом 90 град. Имеют угол наклона зубьев 20 градусов и необходимы, когда пересекаются приводные валы и требуется передать вращательное движение.
    Модуль, М
    1,5
    A, мм
    27,2
    D1, мм
    12
    F, мм
    10
    Lm, мм
    12
    Dn, мм
    30
    Количество зубьев, шт
    30
    De, мм
    47,1
    Передаточное отношение
    1:1
    dm, мм
    14,8
    Dp, мм
    45
    Производитель
    EMT
    Материал
    Сталь C45
    Вес, кг
    0,17
    Назад к списку
    Каталог
    Бренды
    Помощь
    Контакты
    + 7(966)-756-39-33
    + 7(966)-756-39-33
    Заказать звонок
    E-mail
    info@emtshop.ru
    Режим работы

    Пн. – Пт.: с 9:00 до 18:00

    info@emtshop.ru
    © 2026 Интернет-магазин бренда ЕМТ. Вся информация представленная на сайте, касающаяся технических характеристик, наличия, стоимости, носит информационный характер и ни при каких условиях не является публичной офертой, определяемой положениями Статьи 437(2) Гражданского кодекса РФ. Для получения более подробной информации о наличии, цене и условиях отгрузки товаров, обратитесь к нашим специалистам с помощью формы обратной связи или по телефонам, указанным в разделе Контакты.
    Конфиденциальность
    Главная Каталог 0 Корзина 0 Избранные Кабинет
    Для корректной работы сайта - используем куки.
    Принять