Полумуфта под расточку HRC 130, EMT
Арт. GEBHRC130EMT
Характеристики
A, мм
—
47,5
Посадка на вал
—
Под расточку
Тип муфты
—
HRC 130
Диаметр ступицы, М, мм
—
105
Максимальный диаметр отверстия, dmax, мм
—
60
2 658 руб./шт
Нашли дешевле?
Гарантия производителя
Цена действительна при наличии товара на складе.
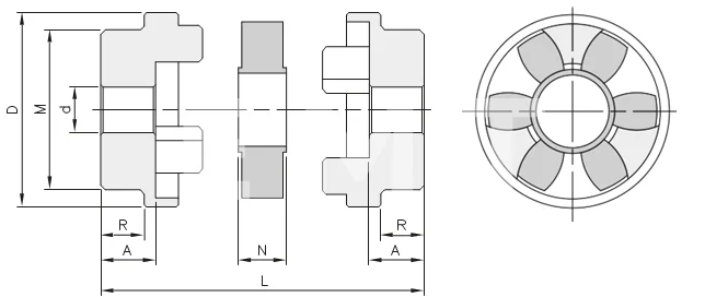
Полумуфта под расточку HRC 130, с максимальным диаметром отверстия 60 мм, и шириной ступицы 105 мм, изготовлена из чугуна и предназначена для передачи крутящего момента между двумя соостно расположнными валами. Соединительная муфта имеет длину в сборе 130 мм,и ширину упругого элемента 35 мм.
A, мм
47,5
Посадка на вал
Под расточку
Тип муфты
HRC 130
Диаметр ступицы, М, мм
105
Максимальный диаметр отверстия, dmax, мм
60
Диаметр чернового отверстия d, мм
20
Диаметр полумуфты, D, мм
130
Ширина ступицы, R, мм
39
Длина муфты в сборе, L, мм
130
Производитель
EMT
Материал
Чугун
Вес, кг
4,45

