Полумуфта GS38 безлюфтовая, с готовым отверстием d=25 мм, шпон паз 8х3,3мм, EMT
Арт. GESM38/45F25C
Характеристики
Крутящий момент максимальный, TK max, Nm
—
810
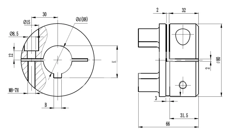
A, мм
—
80
Посадка на вал
—
Со шпонкой
Тип муфты
—
GS 38
Ширина полумуфты, C, мм
—
45
5 830 руб./шт
Нашли дешевле?
Гарантия производителя
Цена действительна при наличии товара на складе.
Крутящий момент максимальный, TK max, Nm
810
A, мм
80
Посадка на вал
Со шпонкой
Тип муфты
GS 38
Ширина полумуфты, C, мм
45
E min, мм
83,3
G, мм
38
S, мм
3,0
P, мм
5,6
Тип болта, мм
M8
T, мм
16
M, мм
24
Момент затяжки, Nm
25
Скорость вращения, max
7100
Диаметр отверстия, D1, мм
25
Длина муфты в сборе, L, мм
114
Крутящий момент, TK, Nm
405
Производитель
EMT
Материал
Алюминий
Вес, кг
0,44

