Муфта кулачковая безлюфтовая GS14 5/5 dmax=16 мм, EMT
Арт. GS145/5EMT
Характеристики
Тип муфты
—
14
Ширина полумуфты, C, мм
—
11
D, мм
—
30
L, мм
—
35
F, мм
—
10,5
968 руб./шт
Нашли дешевле?
Гарантия производителя
Цена действительна при наличии товара на складе.
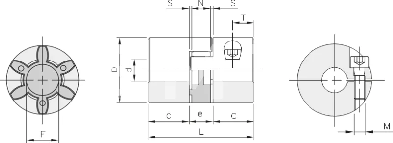
Соединительная безлюфтовая муфта GS14- 5/5 мм, dmax=16мм, российского бренда EMT, предназначена для использования в различных станках, агрегатах, измерительном и другом оборудовании. Обладают малым размером и низкой инерцией вращения за счет легкого алюминиевого сплава. Обжатие валов происходит при помощи фиксирующих винтов, что позволяет избежать зазоров и люфтов. Полиуретановые упругие элементы предотвращают и снижают уровень вибрации, компенсируют радиальные и угловые отклонения. Большой выбор эластомеров (упругих элементов с разной жесткостью по Shore) обеспечивают широкое применение данных муфт, использование в оборудовании с разными крутящими моментами. Допуск на готовое отверстие соответствует ISO H7.
Тип муфты
14
Ширина полумуфты, C, мм
11
D, мм
30
L, мм
35
F, мм
10,5
e, мм
13
S, мм
1,5
Диаметр чернового отверстия d, мм
5
Тип болта, мм
M3
Максимальный диаметр отверстия, d, мм
16
Производитель
EMT
Материал
Алюминий
Вес, кг
0,02

