Муфта цепная KC4016, EMT
Арт. KC4016EMT
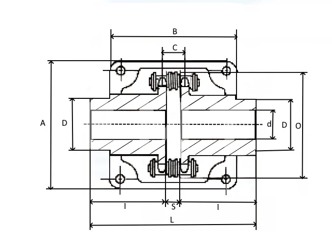
Характеристики
Тип цепи
—
40-2
A, мм
—
92
D, мм
—
50
L, мм
—
87,4
S, мм
—
7,4
3 312 руб./шт
Гарантия производителя
Цена действительна при наличии товара на складе.
Муфта цепная KC4016 производства EMT — это стандартизированный элемент привода, предназначенный для соединения соосных валов и передачи крутящего момента в условиях умеренных нагрузок. Конструкция муфты включает две стальные полумуфты со звездочками, роликовую цепь и разъемный защитный кожух, что обеспечивает эффективную компенсацию радиальных, угловых и осевых смещений валов. Ключевыми преимуществами модели KC4016 являются высокая ремонтопригодность, возможность быстрой замены цепи без демонтажа узла, а также защита от внешних загрязнений. Муфта применяется в общем машиностроении для приводов конвейерного оборудования, вентиляционных систем, насосов и легких станков, где требуется надежное и простое в обслуживании соединение.
Тип цепи
40-2
A, мм
92
D, мм
50
L, мм
87,4
S, мм
7,4
B, мм
72
Диаметр чернового отверстия d, мм
14
O, мм
77
I,мм
40
Крутящий момент, Nm
380
C, мм
14,4
Максимальный диаметр отверстия, d ,мм
32
Производитель
EMT
Материал
Муфта - Сталь C45, Корпус - Алюминий
Вес, кг
1,80

