Муфта цепная KC6020, EMT
Арт. KC6020EMT
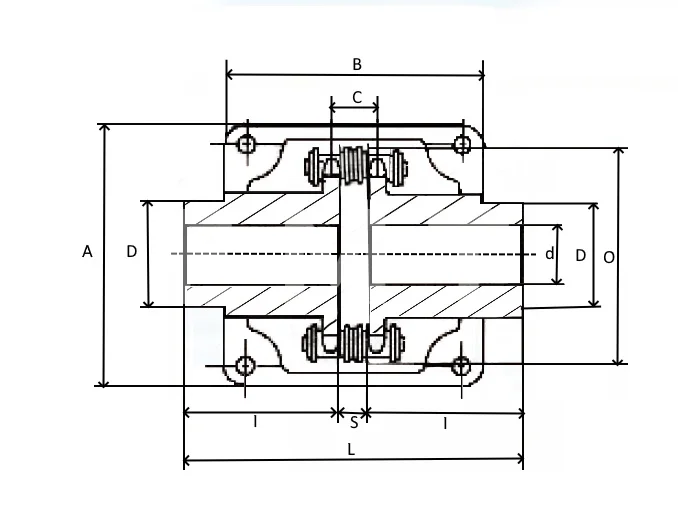
Характеристики
Тип цепи
—
60-2
A, мм
—
158
D, мм
—
100
L, мм
—
123,5
S, мм
—
11,5
11 089 руб./шт
Гарантия производителя
Цена действительна при наличии товара на складе.
Муфта цепная KC6020 производства EMT — это стандартизированный элемент привода, предназначенный для соединения соосных валов и передачи крутящего момента в условиях умеренных нагрузок. Конструкция муфты включает две стальные полумуфты со звездочками, роликовую цепь и разъемный защитный кожух, что обеспечивает эффективную компенсацию радиальных, угловых и осевых смещений валов. Ключевыми преимуществами модели KC6020 являются высокая ремонтопригодность, возможность быстрой замены цепи без демонтажа узла, а также защита от внешних загрязнений. Муфта применяется в общем машиностроении для приводов конвейерного оборудования, вентиляционных систем, насосов и легких станков, где требуется надежное и простое в обслуживании соединение.
Тип цепи
60-2
A, мм
158
D, мм
100
L, мм
123,5
S, мм
11,5
B, мм
105
Диаметр чернового отверстия d, мм
20
O, мм
139
I,мм
56
Крутящий момент, Nm
2050
C, мм
22,8
Максимальный диаметр отверстия, d ,мм
60
Производитель
EMT
Материал
Муфта - Сталь C45, Корпус - Алюминий
Вес, кг
9,40

