Муфта цепная KC6022, EMT
Арт. KC6022EMT
Характеристики
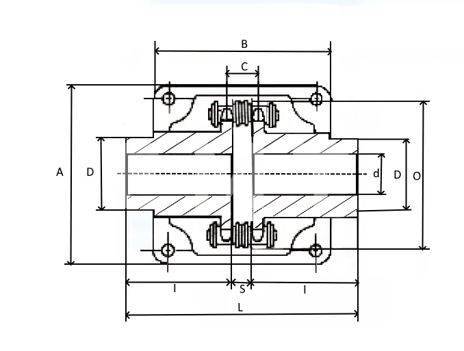
Тип цепи
—
60-2
A, мм
—
168
D, мм
—
110
L, мм
—
123,5
S, мм
—
11,5
12 745 руб./шт
Гарантия производителя
Цена действительна при наличии товара на складе.
Муфта цепная KC6022 производства EMT — это стандартизированный элемент привода, предназначенный для соединения соосных валов и передачи крутящего момента в условиях умеренных нагрузок. Конструкция муфты включает две стальные полумуфты со звездочками, роликовую цепь и разъемный защитный кожух, что обеспечивает эффективную компенсацию радиальных, угловых и осевых смещений валов. Ключевыми преимуществами модели KC6022 являются высокая ремонтопригодность, возможность быстрой замены цепи без демонтажа узла, а также защита от внешних загрязнений. Муфта применяется в общем машиностроении для приводов конвейерного оборудования, вентиляционных систем, насосов и легких станков, где требуется надежное и простое в обслуживании соединение.
Тип цепи
60-2
A, мм
168
D, мм
110
L, мм
123,5
S, мм
11,5
B, мм
117
Диаметр чернового отверстия d, мм
20
O, мм
151
I,мм
56
Крутящий момент, Nm
2400
C, мм
22,8
Максимальный диаметр отверстия, d ,мм
71
Производитель
EMT
Материал
Муфта - Сталь C45, Корпус - Алюминий
Вес, кг
12,20

