Советуем
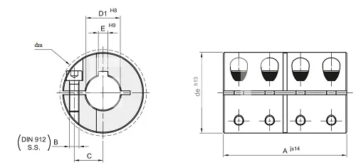
Муфта продольно-свёртная GBR 30, EMT
Арт. GBR030
Характеристики
A, мм
—
83
e, мм
—
8
B, мм
—
M6 x 18
Наружный диаметр, de, мм
—
53
C, мм
—
20,9
3 128 руб./шт
Нашли дешевле?
Гарантия производителя
Цена действительна при наличии товара на складе.
Муфта продольно-свёртная GBR 30, предназначена для крепления двух соостных валов. Не компенсирует перекосы, передает высокий крутящий момент. Конструктивно имеет шпоночный паз с двух сторон. Зажимается на валу винтами, не допуская осевого перемещения и не повреждая вал.
A, мм
83
e, мм
8
B, мм
M6 x 18
Наружный диаметр, de, мм
53
C, мм
20,9
Диаметр отверстия, D1, мм
30
Диаметр ступицы, dm, мм
58,7
Производитель
EMT
Материал
Сталь
Вес, кг
0,92

