Втулка зажимная BK 40 (RCK 40) 220x285, EMT
Арт. BK040220285EMT
Характеристики
Тип
—
BK 40
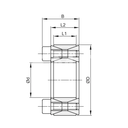
B, мм
—
72
Тип болта, мм
—
M16x50
Давление на поверхность ступицы, N/мм2
—
154
Крутящий момент, Nm
—
81960
35 301 руб./шт
Гарантия производителя
Цена действительна при наличии товара на складе.
Втулка зажимная BK 40 220 x 285, EMT применяется для монтажа звезд, шкивов, барабанов и других изделий на цилиндрический, бесшпоночный вал.
Тип
BK 40
B, мм
72
Тип болта, мм
M16x50
Давление на поверхность ступицы, N/мм2
154
Крутящий момент, Nm
81960
Давление на поверхность вала, N/мм2
200
Количество болтов, шт
26
Момент затяжки, Nm
290
Длина втулки L1, мм
50
Нагрузка, KN
745
Длина втулки L2, мм
56
Размер, d x D, мм
220 x 285
Производитель
EMT
Материал
Сталь C45
Вес, кг
11,00

