Втулка зажимная BK 40 (RCK 40) 320x405, EMT
Арт. BK040320405EMT
Характеристики
Тип
—
BK 40
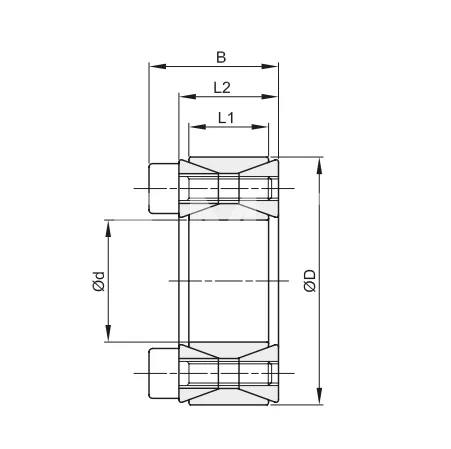
B, мм
—
98
Тип болта, мм
—
M20x70
Давление на поверхность ступицы, N/мм2
—
167
Крутящий момент, Nm
—
264108
113 872 руб./шт
Гарантия производителя
Цена действительна при наличии товара на складе.
Втулка зажимная BK 40 320 x 405, EMT применяется для монтажа звезд, шкивов, барабанов и других изделий на цилиндрический, бесшпоночный вал.
Тип
BK 40
B, мм
98
Тип болта, мм
M20x70
Давление на поверхность ступицы, N/мм2
167
Крутящий момент, Nm
264108
Давление на поверхность вала, N/мм2
211
Количество болтов, шт
36
Момент затяжки, Nm
580
Длина втулки L1, мм
72
Нагрузка, KN
1651
Длина втулки L2, мм
78
Размер, d x D, мм
320 x 405
Производитель
EMT
Материал
Сталь C45
Вес, кг
30,00

